You are here: Home » Support » Design Guide

Design Guidelines

April 27, 2026

Aerospace CNC machining relies on a wide range of advanced engineering materials designed to meet strict performance, safety, and weight efficiency requirements. Material selection is one of the most critical decisions in aerospace manufacturing, directly affecting part strength, machinability, ther

April 26, 2026

IntroductionAerospace CNC machining costs vary significantly depending on part complexity, material selection, tolerance requirements, and production volume. Unlike standard CNC machining, aerospace manufacturing involves stricter quality standards, specialized materials, and higher precision requir

April 24, 2026

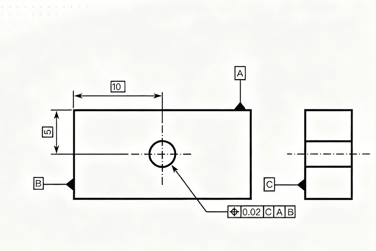
Introduction to Aerospace CNC Machining TolerancesAerospace CNC machining tolerances define the allowable variation in part dimensions during manufacturing and are critical to ensuring performance, safety, and assembly precision in aerospace applications. Unlike standard machining, aerospace compone

November 27, 2025

Part 1 — Executive Introduction to Aluminum CNC MachiningWhat This Guide CoversThis guide is designed for engineers, product designers, and manufacturing professionals who need a comprehensive understanding of aluminum CNC machining. It covers all essential aspects from material science to advanced

November 26, 2025

Part 1 — Executive Introduction to Bronze MachiningBronze machining remains one of the most technically demanding yet strategically valuable processes in modern metal manufacturing. Despite the rise of aluminum alloys, stainless steels, and advanced composites, bronze continues to hold a unique posi

November 18, 2025

Geometric Dimensioning and Tolerancing (GD&T) is an advanced engineering language that defines allowable variation in part geometry, ensuring precision, functionality, and manufacturability. Across industries—from automotive to aerospace, medical devices to consumer electronics—GD&T provides a stand

December 04, 2025

Part 1 — Executive Introduction to 316 / 316L Stainless Steel CNC MachiningWhat This Guide Covers316 and 316L stainless steels are among the most critical and widely used austenitic stainless steel grades in global high-performance manufacturing. Renowned for their exceptional corrosion resistance,

December 02, 2025

Part 1 — Executive Introduction to Stainless Steel CNC MachiningWhat This Guide CoversStainless steel is among the most widely used engineering materials due to its excellent combination of corrosion resistance, mechanical strength, and versatility. This guide is designed to provide a comprehensive

December 02, 2025

Part 1 — Executive Introduction to 304 Stainless Steel MachiningWhat This Guide Covers304 stainless steel is one of the most widely used austenitic stainless steel grades in the world, renowned for its excellent corrosion resistance, strength, and versatility. This guide provides a comprehensive eng

If there are any CNC machining issues.
Please contact us.
Capabilities
Service
Support
COPYRIGHT © 2025 CHANGZHOU NAITE METAL TECHNOLOGY CO., LTD. ALL RIGHTS RESERVED.