Buradasınız: Ev » Tasarım Yönergeleri

Tasarım Yönergeleri

02 Aralık 2025

Bölüm 1 — 304 Paslanmaz Çelik İşleme Konusuna Yönetici Giriş Bu Kılavuzun Kapsamı304 paslanmaz çelik, mükemmel korozyon direnci, mukavemeti ve çok yönlülüğü ile tanınan, dünyada en yaygın kullanılan östenitik paslanmaz çelik kalitelerinden biridir. Bu kılavuz kapsamlı bir mühendislik sağlar

04 Aralık 2025

Bölüm 1 — 316 / 316L Paslanmaz Çelik CNC İşlemesine Yönetici Giriş Bu Kılavuzun Kapsamı Nelerdir 316 ve 316L paslanmaz çelikler, küresel yüksek performanslı üretimde en kritik ve yaygın olarak kullanılan östenitik paslanmaz çelik kaliteleri arasındadır. Olağanüstü korozyon direnciyle tanınan,

02 Aralık 2025

Bölüm 1 — Paslanmaz Çelik CNC İşlemesine Yönetici Giriş Bu Kılavuzun Kapsadığı Şeyler Paslanmaz çelik, korozyon direnci, mekanik mukavemet ve çok yönlülüğün mükemmel birleşimi nedeniyle en yaygın kullanılan mühendislik malzemeleri arasındadır. Bu kılavuz kapsamlı bir bilgi sağlamak üzere tasarlanmıştır.

27 Kasım 2025

Bölüm 1 — Alüminyum CNC İşleme Konusuna Yönetici Giriş Bu Kılavuzun Kapsamı Bu kılavuz, alüminyum CNC işleme konusunda kapsamlı bir anlayışa ihtiyaç duyan mühendisler, ürün tasarımcıları ve üretim profesyonelleri için tasarlanmıştır. Malzeme biliminden ileri seviyeye kadar tüm temel hususları kapsar.

26 Kasım 2025

Bölüm 1 - Bronz İşlemeye Yönetici GirişBronz işleme, modern metal imalatında teknik açıdan en zorlu ancak stratejik açıdan değerli süreçlerden biri olmaya devam etmektedir. Alüminyum alaşımlarının, paslanmaz çeliklerin ve gelişmiş kompozitlerin yükselişine rağmen bronz, benzersiz konumunu korumaya devam ediyor

18 Kasım 2025

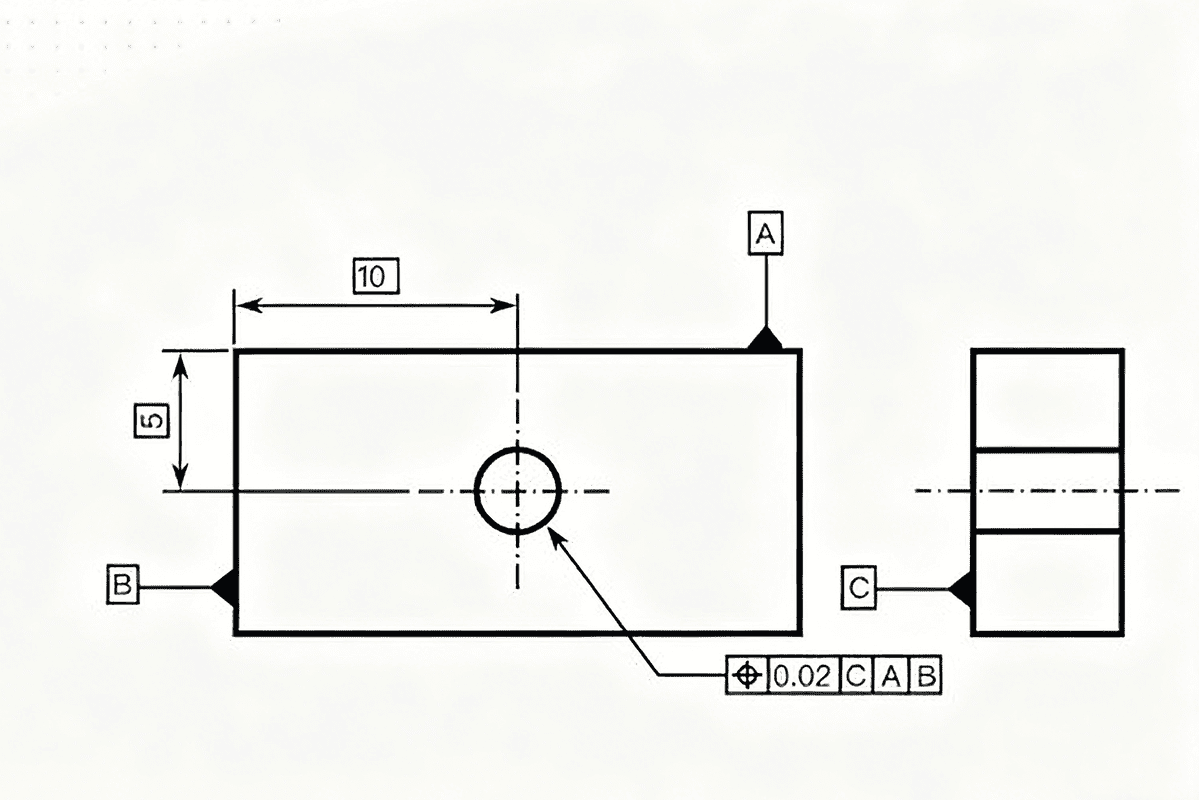
Geometrik Boyutlandırma ve Tolerans (GD&T), parça geometrisinde izin verilen varyasyonu tanımlayan, hassasiyet, işlevsellik ve üretilebilirlik sağlayan gelişmiş bir mühendislik dilidir. Otomotivden havacılığa, tıbbi cihazlardan tüketici elektroniğine kadar tüm sektörlerde GD&T bir stand sağlıyor

Herhangi bir CNC işleme sorunu varsa.
Lütfen bizimle iletişime geçin.
Yetenekler
Hizmet
Destek
TELİF HAKKI © 2025 CHANGZHOU NAITE METAL TECHNOLOGY CO., LTD. HER HAKKI SAKLIDIR.